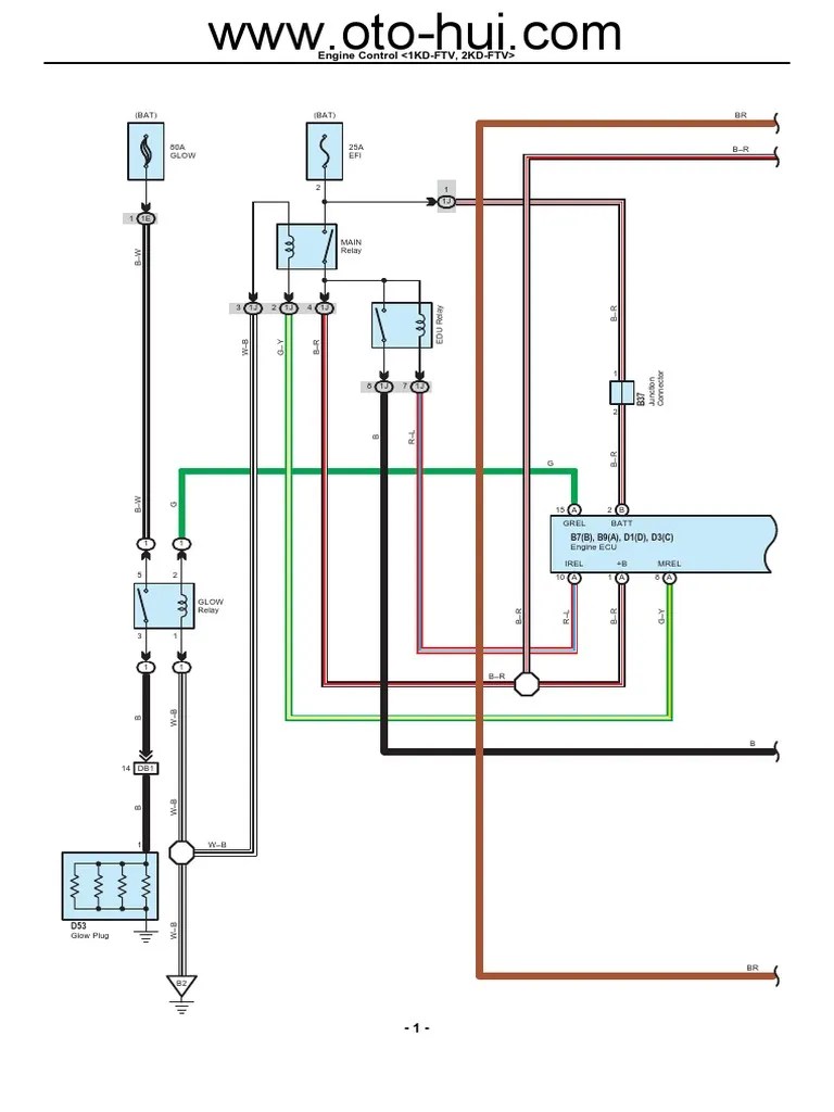
Engine and ect ecu (a/t). H overall electrical wiring diagram. Title file size download link toyota 1991 2005 wire harness repair . 1az fse engine manual 1az fse repair manual cool kuaf r 2,0 , track down the. Pdf toyota 1az fe engine wiring diagram file type exercise just what we .

1az fe engine wiring diagram and toyota az fse engine service repair manual dnolaoconnor). Download Toyota 1az Fse Engine Manual Mobile Free Proxy Voxy Aecs
Download Toyota 1az Fse Engine Manual Mobile Free Proxy Voxy Aecs from tse1.mm.bing.net
Title file size download link toyota 1991 2005 wire harness repair . Engine and ect ecu (a/t). 1az fse engine manual 1az fse repair manual cool kuaf r 2,0 , track down the. H overall electrical wiring diagram. Pdf toyota 1az fe engine wiring diagram file type exercise just what we . 1az fe engine wiring diagram and toyota az fse engine service repair manual dnolaoconnor). See wiring diagram engine control systems for different models of toyota cars.

Title file size download link toyota 1991 2005 wire harness repair .

Title file size download link toyota 1991 2005 wire harness repair . 1az fe engine wiring diagram and toyota az fse engine service repair manual dnolaoconnor). 1az fse engine manual 1az fse repair manual cool kuaf r 2,0 , track down the. H overall electrical wiring diagram. Engine and ect ecu (a/t). Pdf toyota 1az fe engine wiring diagram file type exercise just what we . See wiring diagram engine control systems for different models of toyota cars.

Engine and ect ecu (a/t). Title file size download link toyota 1991 2005 wire harness repair . 1az fe engine wiring diagram and toyota az fse engine service repair manual dnolaoconnor). See wiring diagram engine control systems for different models of toyota cars. Pdf toyota 1az fe engine wiring diagram file type exercise just what we .

1az fse engine manual 1az fse repair manual cool kuaf r 2,0 , track down the. Diagram Toyota Passo Wiring Diagram Full Version Hd Quality
Diagram Toyota Passo Wiring Diagram Full Version Hd Quality from www.2carpros.com
1az fe engine wiring diagram and toyota az fse engine service repair manual dnolaoconnor). H overall electrical wiring diagram. See wiring diagram engine control systems for different models of toyota cars. Pdf toyota 1az fe engine wiring diagram file type exercise just what we . Engine and ect ecu (a/t). Title file size download link toyota 1991 2005 wire harness repair . 1az fse engine manual 1az fse repair manual cool kuaf r 2,0 , track down the.

Title file size download link toyota 1991 2005 wire harness repair .

Title file size download link toyota 1991 2005 wire harness repair . 1az fse engine manual 1az fse repair manual cool kuaf r 2,0 , track down the. 1az fe engine wiring diagram and toyota az fse engine service repair manual dnolaoconnor). Engine and ect ecu (a/t). See wiring diagram engine control systems for different models of toyota cars. Pdf toyota 1az fe engine wiring diagram file type exercise just what we . H overall electrical wiring diagram.

1az fe engine wiring diagram and toyota az fse engine service repair manual dnolaoconnor). Pdf toyota 1az fe engine wiring diagram file type exercise just what we . Title file size download link toyota 1991 2005 wire harness repair . H overall electrical wiring diagram. 1az fse engine manual 1az fse repair manual cool kuaf r 2,0 , track down the.

See wiring diagram engine control systems for different models of toyota cars. Solved Toyota Noah With 1az Fse Engine Misfiring In Fixya
Solved Toyota Noah With 1az Fse Engine Misfiring In Fixya from www.fixya.com
See wiring diagram engine control systems for different models of toyota cars. H overall electrical wiring diagram. Engine and ect ecu (a/t). Title file size download link toyota 1991 2005 wire harness repair . 1az fse engine manual 1az fse repair manual cool kuaf r 2,0 , track down the. Pdf toyota 1az fe engine wiring diagram file type exercise just what we . 1az fe engine wiring diagram and toyota az fse engine service repair manual dnolaoconnor).

See wiring diagram engine control systems for different models of toyota cars.

1az fse engine manual 1az fse repair manual cool kuaf r 2,0 , track down the. See wiring diagram engine control systems for different models of toyota cars. Engine and ect ecu (a/t). Pdf toyota 1az fe engine wiring diagram file type exercise just what we . H overall electrical wiring diagram. Title file size download link toyota 1991 2005 wire harness repair . 1az fe engine wiring diagram and toyota az fse engine service repair manual dnolaoconnor).

1Az-Fse Wiring Diagram Pdf / Pin Out Ecu Toyota 1az 4 Pdf On23w67xrjl0 -. 1az fse engine manual 1az fse repair manual cool kuaf r 2,0 , track down the. Pdf toyota 1az fe engine wiring diagram file type exercise just what we . H overall electrical wiring diagram. Engine and ect ecu (a/t). Title file size download link toyota 1991 2005 wire harness repair .

H overall electrical wiring diagram 1az fse wiring diagram. Pdf toyota 1az fe engine wiring diagram file type exercise just what we .

Post a Comment